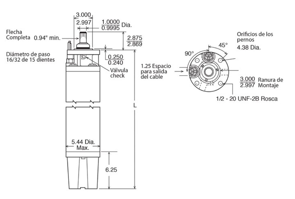
MOTOR SUMERGIBLE MF FRANKLIN 6" SERIE ENCAP SF MOD. 2261138020 15,00HP 1PH/230V/60HZ/2P 3600RPM 3W DOL NEMA6 WF-C

http://odoo.motobombas.com/web/image/product.template/76779/image_1920?unique=60a630d


Motor Monofasico Americano de 15HP Water Filled (Encapsulado) Empuje Axial 15500N - 3500LBF

0,00 0.0 USD 0,00

0,00

Consultar Precio y Disponibilidad

  • Marca
  • Fase
  • Voltaje

Esta combinación no existe.

Marca: FRANKLIN ELECTRIC
Fase: Monofásico (1PH)
Voltaje: 220V - 230V

Términos y condiciones
Garantía de devolución de 30 días
Envío: 2-3 días laborales